Back to Walkup's 1906 airbrush patent.     -    Airbrush history from The Airbrush Museum featuring Paasche, Wold, Walkup, Iwata, Aerograph, Badger,  and  more! Airbrush history from The Airbrush Museum featuring Paasche, Wold, Walkup, Iwata, Aerograph, Badger,  and  more! Graphic created using Adobe Illustrator; the font is "Candy." NEXT: Paasche's 1908 patent.     -    Airbrush history from The Airbrush Museum featuring Paasche, Wold, Walkup, Iwata, Aerograph, Badger,  and  more!

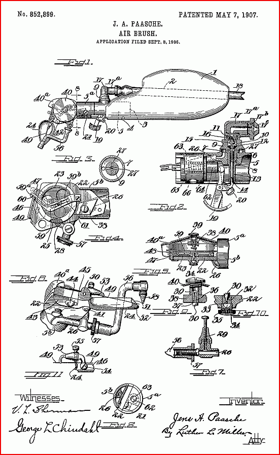
Jens Paasche's 1907 "AB" Patent

(Click on the picture below to see the full size patent drawing. I've cleaned them up and converted them to the .GIF format. WARNING, they are 80kb+ files and are a slow download but worth it. Opens in a new window!)

 



Another of Jens Paasche's early forerunners of the AB. It still retains the side mounted trigger and the horizontal orientation of the Peeler/Walkup designs. The body is still on the bulky side with it's dual tube design. The needle sits in a bushing that allows it to sit deeper in the paint cup making it easier to pick up paint.

"BACK"                                                                                        "NEXT"

Airbrush Home   Airbrush Museum   Airbrush History   Airbrush Patents   Rainbow Spray   Airbrush Literature  
Hot Rod Airbrush
   Airbrush 101   Links    Banner Links   Photos   Wig Bubbles   Dedication   Séance Room

If anyone would like copies of any of the patents on the site, e-mail me and I'll gladly send them to you. The files are small in kb size (346kb for the 5 pages of the Peeler patent) but they are physically large (290" x 426") and they are in .TIF format. That means you'll need a viewer that can open .TIF's and resize them. No problem, Irfan View to the rescue. Click on one of the buttons below to go and download it. Its free (although he'd appreciate a postcard) and is the best viewer around. It also plays audio!